Retroplayer
Experienced Member
- Joined
- Jun 6, 2023
- Messages
- 172
I added an Atari Portfolio to my collection. I love the form factor, but of course it is by far inferior in specs to my HP200LX.
I have a couple of parallel port interfaces on their way. Looking at the asking prices of the serial interface, I will likely just spin my own.
One Parallel Port to keep as-is and the other to experiment with expansions.
Ordered a 1MB afpram drive for it as well.
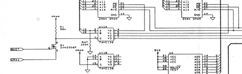
The Atari portfolio came with only 128K of RAM of which 32K is the default RAM disk. Honestly, in most cases this is perfectly fine as the screen is only 8x40 text (240x64) and it is not 100% IBM PC compatible.
Unfortunately, as far as I can tell, the heydey of user interest has now faded and many of the old websites are gone. I haven't been able to find any information on internal RAM upgrades, but I do keep seeing references to them.
Does anyone here know anything about them? Maybe some old websites for me to visit via wayback machine? I think I can probably figure it out, but tried-and-true is always better than risking my one unit.
I have a couple of parallel port interfaces on their way. Looking at the asking prices of the serial interface, I will likely just spin my own.
One Parallel Port to keep as-is and the other to experiment with expansions.
Ordered a 1MB afpram drive for it as well.
The Atari portfolio came with only 128K of RAM of which 32K is the default RAM disk. Honestly, in most cases this is perfectly fine as the screen is only 8x40 text (240x64) and it is not 100% IBM PC compatible.
Unfortunately, as far as I can tell, the heydey of user interest has now faded and many of the old websites are gone. I haven't been able to find any information on internal RAM upgrades, but I do keep seeing references to them.
Does anyone here know anything about them? Maybe some old websites for me to visit via wayback machine? I think I can probably figure it out, but tried-and-true is always better than risking my one unit.

