soviet9922
Veteran Member
A long long time ago, found this Luxor ABC80.
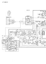
The computer is quite rare and on the internet is little information about it, the only useful information that I got where the schematics.
This unit uses a monitor/PSU combo similar to how an Amstrac CPC could work.
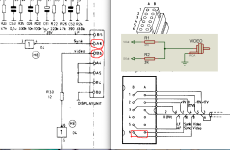
So decided to try to adapt a power supply and some kind of video output to test it, is only a matter of bypassing the regulators on the board and soldering an ATX PSU directly to the power lines, the video output is a little more complicated the output is sync and luma in separate wires so for a quick test mixed them using resistors. The
image is not completely stable using this method but for now, is ok to continue testing.
Next problem where shorted tantalum caps on the +12v rail, replaced them for electrolytic, and got a picture.
The screen always starts full of garbage but they are some letters there so the charter generator must be working, so checked all socket ICs and they are very corroded pins that fall off them when cleaning and sanding, for the ROMs I have to do some "replacement" legs using wires.
Now checked using the oscilloscope the z80 and there's a clock 4mhz, reset works when starting up, and by pressing the reset button it goes high.
The 6mhz signal is present in the test points on the board, also replaced all 4116 rams and cheque +12 -5 +5 on the pins and all are good.
Replaced the CPU but no effect, even removing the CPU and powering it up like that the screen will show the same garbage.
But now I'm stuck not familiar with this system, and alose there's nothing about them more than the schematics on the net for tips.
Maybe someone is familiar with this system and can help, also hope the "wiring information" could be useful for other people in the same situation.
The computer is quite rare and on the internet is little information about it, the only useful information that I got where the schematics.
This unit uses a monitor/PSU combo similar to how an Amstrac CPC could work.
So decided to try to adapt a power supply and some kind of video output to test it, is only a matter of bypassing the regulators on the board and soldering an ATX PSU directly to the power lines, the video output is a little more complicated the output is sync and luma in separate wires so for a quick test mixed them using resistors. The
image is not completely stable using this method but for now, is ok to continue testing.
Next problem where shorted tantalum caps on the +12v rail, replaced them for electrolytic, and got a picture.
The screen always starts full of garbage but they are some letters there so the charter generator must be working, so checked all socket ICs and they are very corroded pins that fall off them when cleaning and sanding, for the ROMs I have to do some "replacement" legs using wires.
Now checked using the oscilloscope the z80 and there's a clock 4mhz, reset works when starting up, and by pressing the reset button it goes high.
The 6mhz signal is present in the test points on the board, also replaced all 4116 rams and cheque +12 -5 +5 on the pins and all are good.
Replaced the CPU but no effect, even removing the CPU and powering it up like that the screen will show the same garbage.
But now I'm stuck not familiar with this system, and alose there's nothing about them more than the schematics on the net for tips.
Maybe someone is familiar with this system and can help, also hope the "wiring information" could be useful for other people in the same situation.
Attachments
-
power.jpg83.3 KB · Views: 23 -
c93c866c-cbd0-47de-a7cb-68b68f9a0088.jpg247 KB · Views: 18 -
c2de70af-40ab-48ce-b97e-2b3e312f015f.jpg276.7 KB · Views: 25 -
12ea7e1e-d3dd-41c4-8387-1be1d7db8118.jpg350.3 KB · Views: 28 -
b45b2034-6edb-4e00-a4ee-daf9361c49e5.jpg329.1 KB · Views: 33 -
c0be98a0-8fe1-4144-ab46-f7ccd81b3603.jpg307.5 KB · Views: 24 -
Screen Shot 2022-12-04 at 4.52.21 PM.png180.6 KB · Views: 24 -
abc80schema_5.gif132.8 KB · Views: 20 -
abc80schema_4.gif134.8 KB · Views: 19 -
abc80schema_2.gif234.4 KB · Views: 19