Gary C
Veteran Member
Bought a N* last year and finally getting round to it.
It was for sale at a good price but collection only right down in the southeast. Price too god to ignore so I bought it with the understanding they would hold it until I could get over that way. Then as luck would have it, the owner was passing my house and dropped it off, result.
Powered up with boards disconnected, and everything nominal, onto board and it seems to boot but nothing on my terminal.
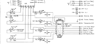
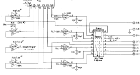
Looking at the N* manual, the jumper to set the serial port seems to expect a modem and a null modem cable doesn't work which I suppose is expected but the standard connections of DTR/DSR/CTS/RTS less so.

For some reason the standard header seems to wire DTR into pin 5 which would normally be CTS and DSR is connected to RTS, RTS connected to DSR and CTS to DTR ! Bit spaghetti like. So to remain compatible with the plug and lead I use on my EPROM programmer I have rewired the header thus

So CTR/RTS connected together, Txd and Rxd not swapped so my null modem cable works and flow control via DTR/DSR.
It was for sale at a good price but collection only right down in the southeast. Price too god to ignore so I bought it with the understanding they would hold it until I could get over that way. Then as luck would have it, the owner was passing my house and dropped it off, result.
Powered up with boards disconnected, and everything nominal, onto board and it seems to boot but nothing on my terminal.
Looking at the N* manual, the jumper to set the serial port seems to expect a modem and a null modem cable doesn't work which I suppose is expected but the standard connections of DTR/DSR/CTS/RTS less so.

For some reason the standard header seems to wire DTR into pin 5 which would normally be CTS and DSR is connected to RTS, RTS connected to DSR and CTS to DTR ! Bit spaghetti like. So to remain compatible with the plug and lead I use on my EPROM programmer I have rewired the header thus

So CTR/RTS connected together, Txd and Rxd not swapped so my null modem cable works and flow control via DTR/DSR.
Attachments
Last edited:

