Robotrontechnik
Member
- Joined
- Nov 15, 2016
- Messages
- 23
I have such a heavy metal computer as an exhibit in my museum, showing three major problems:
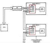
(1): The machine is incomplete, I'm failing to make it functional again because missing spares.
(2): The computer has four hard disks and don't find a way to save its data.
(3): I'm still not familiar with this computer class.
Does anybody want to discuss these themes?
(1): The machine is incomplete, I'm failing to make it functional again because missing spares.
(2): The computer has four hard disks and don't find a way to save its data.
(3): I'm still not familiar with this computer class.
Does anybody want to discuss these themes?
Last edited:

